技術電話:17301986536加盟電話:13689528587

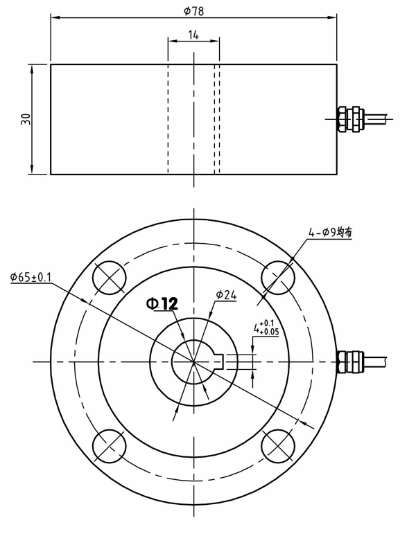
輪輻式傳感器MK104
產品特點:MK104小輪輻式測力傳感器外形小巧,精度高,抗偏載能力強。
產品用途:MK104小輪輻式測力傳感器適用于皮帶秤,料斗秤,拉力試驗機等設備的力值測量。
量程:1 kN(100kg)、2 kN(200kg)、5 kN(500kg)、10 kN(1t)、20 kN(2t)
技術參數及外形尺寸:
序號 | 產品技術參數 | |
1 | 額定載荷 | 100kg-2t |
2 | 綜合精度 | ≤0.1%F.S |
3 | 靈敏度 | 2.0mV/V±0.25% |
4 | 輸入阻抗 | 387±20Ω |
5 | 輸出阻抗 | 350±5Ω |
6 | 絕緣阻抗 | ≥5000MΩ |
7 | 工作溫度范圍 | -10~70℃ |
8 | 安全過載 | 120%F.S |
9 | 材質 | 合金鋼 |
10 | 電纜 | 5m |
11 | 接線方式 | 紅……E+(電源正) 黑……E-(電源負) 綠……S+(信號正) 白……S-(信號負) |

密克傳感器(深圳)有限公司是傳感器源頭生產廠家,致力于測力傳感器的研發生產。產品達百余種,廣泛應用于各種工業自動化、機器人、化工、食品、冶金以及醫療等新型和智能化高端領域。按結構分有輪輻式傳感器,S型傳感器,波紋管傳感器,法蘭盤傳感器,柱式傳感器,扭矩傳感器,平行梁傳感器,拉力傳感器等等,按功能應用場景分有試驗機專用傳感器,攪拌站傳感器,稱重傳感器,包裝機傳感器,壓裝機傳感器,價格美麗,可定制。
密克斯生產的MK104小輪輻式測力傳感器適用于皮帶秤,料斗秤,拉力試驗機等設備的力值測量。
